| Availability: | |
|---|---|
S13
Wamgroup
1. Product name: S13 Pneumatic Oscillator Oli Wamgroup S Sreies Pneumatic Roller Vibrator
2. S - ROTARY PNEUMATIC VIBRATORS - BALL
APPLICATION: Hopper and silo - screen - vibrating table - chute
POWDER: Dry and granular
PROBLEM SOLVING: Friction reduction - separation
3. Suit for
| PRODUCT SERIES | APPLICATIONS | POWDERS | FEATURES | BENEFITS |
| S | Silos | Dry powders | Filter sleeve cleaning | Economical |
| Hoppers | Granules | Suitable for outdoor use | Low air consumption | |
| Piping | Plastics | Resistant to oxidation | High frequency vibration | |
| Chutes | Sand | Atex II2G c Tx | ||
| Compacting | Ashes | Atex II2D c Tx | ||
| Cement | ||||
| Lime |
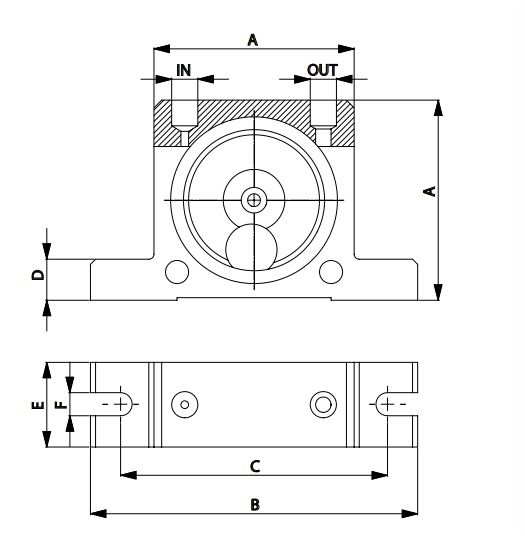
4. Drawing
| DIMENSIONAL SPECIFICATIONS | |||||||||||||||
| MODEL | A | B | C | D | E | F | IN-OUT | WEIGHT | |||||||
| mm | in | mm | in | mm | in | mm | in | mm | in | mm | in | kg | lb | ||
| S8 | 50 | 2 | 86 | 3.4 | 68 | 2.7 | 12 | 0.5 | 20 | 0.8 | 7 | 0.3 | 1/8" BSPP | 0.13 | 0.29 |
| S10 | 50 | 2 | 86 | 3.4 | 68 | 2.7 | 12 | 0.5 | 20 | 0.8 | 7 | 0.3 | 1/8" BSPP | 0.13 | 0.9 |
| S13 | 65 | 2.6 | 113 | 4.5 | 90 | 3.5 | 16 | 0.6 | 25 | 1 | 9 | 0.4 | 1/4" BSPP | 0.26 | 0.57 |
| S16 | 65 | 2.6 | 113 | 4.5 | 90 | 3.5 | 16 | 0.6 | 28 | 1.1 | 9 | 0.4 | 1/4" BSPP | 0.3 | 0.66 |
| S20 | 80 | 3.2 | 128 | 5.1 | 104 | 4.1 | 16 | 0.6 | 33 | 1.3 | 9 | 0.4 | 1/4" BSPP | 0.53 | 1.17 |
| S25 | 80 | 3.2 | 128 | 5.1 | 104 | 4.1 | 16 | 0.6 | 38 | 1.5 | 9 | 0.4 | 1/4" BSPP | 0.63 | 1.39 |
| S30 | 100 | 3.9 | 160 | 6.3 | 130 | 5.1 | 20 | 0.8 | 45 | 1.8 | 11 | 0.4 | 3/8" BSPP | 1.13 | 2.49 |
| S36 | 100 | 3.9 | 160 | 6.3 | 130 | 5.1 | 20 | 0.8 | 50 | 2 | 11 | 0.4 | 3/8" BSPP | 1.34 | 2.95 |
5. Data
| MODEL | VIBRATION | F.C. MAX | AIR CONSUMPTION | ||||||||||||
| Vpm | 2 bar (29 psi) | 4 bar (58psi) | 6 bar (87 psi) | 2 bar (29 psi) | 4 bar (58psi) | 6 bar (87 psi) | |||||||||
| 2 bar (29 psi) | 4 bar (58psi) | 6 bar (87 psi) | KG | LB | KG | LB | KG | LB | l/min | CF/min | l/min | CF/min | l/min | CF/min | |
| S8 | 25500 | 31000 | 35000 | 13 | 29 | 26 | 57 | 36 | 79 | 83 | 2.9 | 145 | 5.1 | 195 | 6.9 |
| S10 | 22500 | 28000 | 34000 | 25 | 55 | 47 | 103 | 71 | 156 | 92 | 3.2 | 150 | 5.3 | 200 | 7.1 |
| S13 | 15000 | 18500 | 22500 | 32 | 70 | 55 | 121 | 87 | 191 | 94 | 3.3 | 158 | 5.6 | 225 | 7.9 |
| S16 | 13000 | 17000 | 19500 | 45 | 99 | 80 | 176 | 110 | 242 | 122 | 4.3 | 200 | 7.1 | 280 | 9.9 |
| S20 | 10500 | 14500 | 16500 | 72 | 158 | 122 | 268 | 172 | 378 | 130 | 4.6 | 230 | 8.1 | 340 | 12 |
| S25 | 9200 | 12200 | 14000 | 93 | 205 | 157 | 345 | 205 | 451 | 160 | 5.7 | 290 | 10.2 | 425 | 15 |
| S30 | 7800 | 9700 | 12500 | 151 | 332 | 247 | 543 | 321 | 706 | 215 | 7.6 | 375 | 13.2 | 570 | 20.1 |
| S36 | 7300 | 9000 | 10000 | 206 | 453 | 315 | 693 | 405 | 891 | 260 | 9.2 | 475 | 16.8 | 675 | 23.8 |
6. FEATURES
DUTY CYCLE: Continuous
WORKING PRESSURE: From 2 bar to 6 bar (from 29 psi to 87 psi)
PNEUMATIC CIRCUIT: Filter + flow control valve + lubrification + 3/2 ways valve
AIR SUPPLY QUALITY: Class 5.4.4.
WORKING TEMPERATURE: From -20 °C to 200 °C (from -4 °F to 392 °F)
MAX NOISE LEVEL: 90 dB(a)
TECHNOLOGY: Rotary vibration - high frequency
ATEX: II 2D C TX, II 2G C TX
MATERIAL: Aluminium body and zinc plate cover
7. Delivery
1. If the products we have in store, we will send it out ASAP after payment.
2. If the products which were customized, we will complete the production within a specified period of time, and send it out the first time, we can promise it.
3. We have a variety of ways to deliver goods, usually DHL, Fedex, TNL will be normal ways, If you require use of a courier, we can do it.
4. Also we can send by your delivery acount if you want.
8. Product show
9. Applies to
1. Animal Feed Milling
2. Flour Milling
3. Paint & Varnish Processing
4. Plastics Processing
1. Product name: S13 Pneumatic Oscillator Oli Wamgroup S Sreies Pneumatic Roller Vibrator
2. S - ROTARY PNEUMATIC VIBRATORS - BALL
APPLICATION: Hopper and silo - screen - vibrating table - chute
POWDER: Dry and granular
PROBLEM SOLVING: Friction reduction - separation
3. Suit for
| PRODUCT SERIES | APPLICATIONS | POWDERS | FEATURES | BENEFITS |
| S | Silos | Dry powders | Filter sleeve cleaning | Economical |
| Hoppers | Granules | Suitable for outdoor use | Low air consumption | |
| Piping | Plastics | Resistant to oxidation | High frequency vibration | |
| Chutes | Sand | Atex II2G c Tx | ||
| Compacting | Ashes | Atex II2D c Tx | ||
| Cement | ||||
| Lime |
4. Drawing
| DIMENSIONAL SPECIFICATIONS | |||||||||||||||
| MODEL | A | B | C | D | E | F | IN-OUT | WEIGHT | |||||||
| mm | in | mm | in | mm | in | mm | in | mm | in | mm | in | kg | lb | ||
| S8 | 50 | 2 | 86 | 3.4 | 68 | 2.7 | 12 | 0.5 | 20 | 0.8 | 7 | 0.3 | 1/8" BSPP | 0.13 | 0.29 |
| S10 | 50 | 2 | 86 | 3.4 | 68 | 2.7 | 12 | 0.5 | 20 | 0.8 | 7 | 0.3 | 1/8" BSPP | 0.13 | 0.9 |
| S13 | 65 | 2.6 | 113 | 4.5 | 90 | 3.5 | 16 | 0.6 | 25 | 1 | 9 | 0.4 | 1/4" BSPP | 0.26 | 0.57 |
| S16 | 65 | 2.6 | 113 | 4.5 | 90 | 3.5 | 16 | 0.6 | 28 | 1.1 | 9 | 0.4 | 1/4" BSPP | 0.3 | 0.66 |
| S20 | 80 | 3.2 | 128 | 5.1 | 104 | 4.1 | 16 | 0.6 | 33 | 1.3 | 9 | 0.4 | 1/4" BSPP | 0.53 | 1.17 |
| S25 | 80 | 3.2 | 128 | 5.1 | 104 | 4.1 | 16 | 0.6 | 38 | 1.5 | 9 | 0.4 | 1/4" BSPP | 0.63 | 1.39 |
| S30 | 100 | 3.9 | 160 | 6.3 | 130 | 5.1 | 20 | 0.8 | 45 | 1.8 | 11 | 0.4 | 3/8" BSPP | 1.13 | 2.49 |
| S36 | 100 | 3.9 | 160 | 6.3 | 130 | 5.1 | 20 | 0.8 | 50 | 2 | 11 | 0.4 | 3/8" BSPP | 1.34 | 2.95 |
5. Data
| MODEL | VIBRATION | F.C. MAX | AIR CONSUMPTION | ||||||||||||
| Vpm | 2 bar (29 psi) | 4 bar (58psi) | 6 bar (87 psi) | 2 bar (29 psi) | 4 bar (58psi) | 6 bar (87 psi) | |||||||||
| 2 bar (29 psi) | 4 bar (58psi) | 6 bar (87 psi) | KG | LB | KG | LB | KG | LB | l/min | CF/min | l/min | CF/min | l/min | CF/min | |
| S8 | 25500 | 31000 | 35000 | 13 | 29 | 26 | 57 | 36 | 79 | 83 | 2.9 | 145 | 5.1 | 195 | 6.9 |
| S10 | 22500 | 28000 | 34000 | 25 | 55 | 47 | 103 | 71 | 156 | 92 | 3.2 | 150 | 5.3 | 200 | 7.1 |
| S13 | 15000 | 18500 | 22500 | 32 | 70 | 55 | 121 | 87 | 191 | 94 | 3.3 | 158 | 5.6 | 225 | 7.9 |
| S16 | 13000 | 17000 | 19500 | 45 | 99 | 80 | 176 | 110 | 242 | 122 | 4.3 | 200 | 7.1 | 280 | 9.9 |
| S20 | 10500 | 14500 | 16500 | 72 | 158 | 122 | 268 | 172 | 378 | 130 | 4.6 | 230 | 8.1 | 340 | 12 |
| S25 | 9200 | 12200 | 14000 | 93 | 205 | 157 | 345 | 205 | 451 | 160 | 5.7 | 290 | 10.2 | 425 | 15 |
| S30 | 7800 | 9700 | 12500 | 151 | 332 | 247 | 543 | 321 | 706 | 215 | 7.6 | 375 | 13.2 | 570 | 20.1 |
| S36 | 7300 | 9000 | 10000 | 206 | 453 | 315 | 693 | 405 | 891 | 260 | 9.2 | 475 | 16.8 | 675 | 23.8 |
6. FEATURES
DUTY CYCLE: Continuous
WORKING PRESSURE: From 2 bar to 6 bar (from 29 psi to 87 psi)
PNEUMATIC CIRCUIT: Filter + flow control valve + lubrification + 3/2 ways valve
AIR SUPPLY QUALITY: Class 5.4.4.
WORKING TEMPERATURE: From -20 °C to 200 °C (from -4 °F to 392 °F)
MAX NOISE LEVEL: 90 dB(a)
TECHNOLOGY: Rotary vibration - high frequency
ATEX: II 2D C TX, II 2G C TX
MATERIAL: Aluminium body and zinc plate cover
7. Delivery
1. If the products we have in store, we will send it out ASAP after payment.
2. If the products which were customized, we will complete the production within a specified period of time, and send it out the first time, we can promise it.
3. We have a variety of ways to deliver goods, usually DHL, Fedex, TNL will be normal ways, If you require use of a courier, we can do it.
4. Also we can send by your delivery acount if you want.
8. Product show
9. Applies to
1. Animal Feed Milling
2. Flour Milling
3. Paint & Varnish Processing
4. Plastics Processing