CDU25NiI-25D
SMC
0021
Aluminium
25mm
25mm
1.05 Mpa
0.7 Mpa
Rubber bumper
| Bore size (mm) | 6 | 10 | 16 | 20 | 25 | 32 |
| Fluid | Air | |||||
| Proof pressure | 1.05 Mpa | |||||
| Maximum operating pressure | 0.7 Mpa | |||||
| Minimum operating pressure | 0.12 Mpa | 0.06 Mpa | 0.05 Mpa | |||
| Ambient and fluid temperature | Without auto switch: –10 to 70°C (No freezing) With auto switch: –10 to 60°C (No freezing) | |||||
| Lubrication | Non-lube | |||||
| Piston speed | 50 to 500 mm/s | |||||
| Cushion | Rubber bumper | |||||
| Rod end thread | Male thread | |||||
| Stroke length tolerance | 0~+1.0 mm | |||||
| Bore size (mm) | Standard stroke (mm) |
| 6, 10, 16 | 5, 10, 15, 20, 25, 30 |
| 20, 25, 32 | 5, 10, 15, 20, 25, 30, 40, 50 |
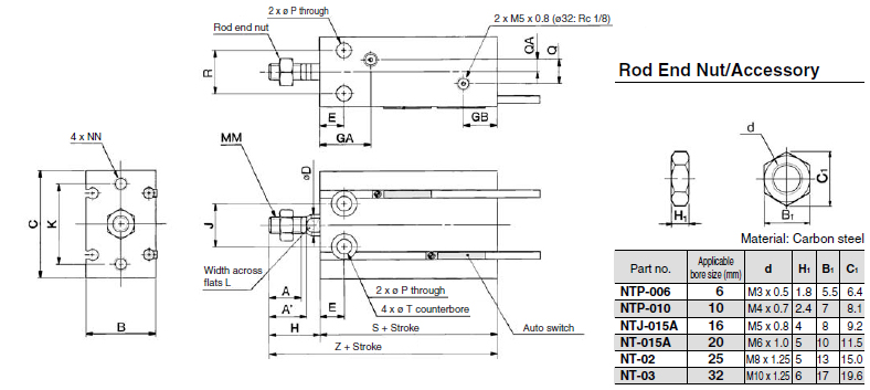
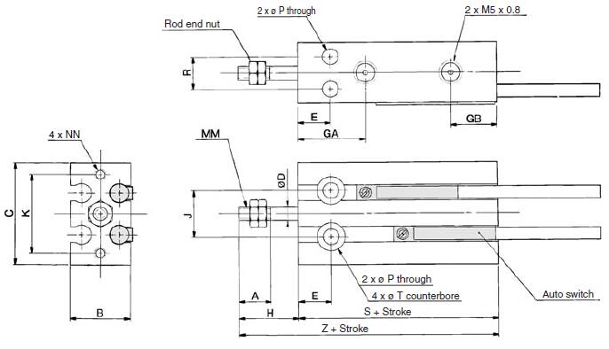
| Bore size (mm) | A | A' | B | C | D | E | GA | GB | H | J | K | L | R | T |
| 7 | - | 13 | 22 | 3 | 7 | 15 | 10 | 13 | 10 | 17 | - | 7 | 6 depth 4.8 | |
| 10 | 10 | - | 15 | 24 | 4 | 7 | 17 | 10 | 16 | 11 | 18 | - | 9 | 6 depth 5 |
| 16 | 11 | 13 | 20 | 32 | 6 | 7 | 17 | 12 | 16 | 14 | 25 | 5 | 12 | 7.6 depth 6.5 |
| 20 | 12 | 14 | 26 | 40 | 8 | 9 | 19 | 13 | 19 | 16 | 30 | 6 | 16 | 9.3 depth 8 |
| 25 | 16 | 18 | 32 | 50 | 10 | 10 | 22 | 13 | 23 | 20 | 38 | 8 | 20 | 9.3 depth 9 |
| 32 | 20 | 22 | 40 | 62 | 12 | 11 | 23 | 13 | 27 | 24 | 48 | 10 | 24 | 11 depth 11.5 |
| Bore size (mm) | Without auto switch | With auto switch | MM | NN | P | Q | QA | ||
| S | Z | S | Z | ||||||
| 6 | 33 | 46 | 33 | 46 | M3 x 0.5 | M3 x 0.5 depth 5 | 3.2 | — | — |
| 10 | 36 | 52 | 36 | 52 | M4 x 0.7 | M3 x 0.5 depth 5 | 3.2 | — | — |
| 16 | 30 | 46 | 40 | 56 | M5 x 0.8 | M4 x 0.7 depth 6 | 4.5 | 4 | 2 |
| 20 | 36 | 55 | 46 | 65 | M6 x 1.0 | M5 x 0.8 depth 8 | 5.5 | 9 | 4.5 |
| 25 | 40 | 63 | 50 | 73 | M8 x 1.25 | M5 x 0.8 depth 8 | 5.5 | 9 | 4.5 |
| 32 | 42 | 69 | 52 | 79 | M10 x 1.25 | M6 x 1.0 depth 9 | 6.6 | 14 | 4.5 |
| Bore size (mm) | 6 | 10 | 16 | 20 | 25 | 32 |
| Fluid | Air | |||||
| Proof pressure | 1.05 Mpa | |||||
| Maximum operating pressure | 0.7 Mpa | |||||
| Minimum operating pressure | 0.12 Mpa | 0.06 Mpa | 0.05 Mpa | |||
| Ambient and fluid temperature | Without auto switch: –10 to 70°C (No freezing) With auto switch: –10 to 60°C (No freezing) | |||||
| Lubrication | Non-lube | |||||
| Piston speed | 50 to 500 mm/s | |||||
| Cushion | Rubber bumper | |||||
| Rod end thread | Male thread | |||||
| Stroke length tolerance | 0~+1.0 mm | |||||
| Bore size (mm) | Standard stroke (mm) |
| 6, 10, 16 | 5, 10, 15, 20, 25, 30 |
| 20, 25, 32 | 5, 10, 15, 20, 25, 30, 40, 50 |
| Bore size (mm) | A | A' | B | C | D | E | GA | GB | H | J | K | L | R | T |
| 7 | - | 13 | 22 | 3 | 7 | 15 | 10 | 13 | 10 | 17 | - | 7 | 6 depth 4.8 | |
| 10 | 10 | - | 15 | 24 | 4 | 7 | 17 | 10 | 16 | 11 | 18 | - | 9 | 6 depth 5 |
| 16 | 11 | 13 | 20 | 32 | 6 | 7 | 17 | 12 | 16 | 14 | 25 | 5 | 12 | 7.6 depth 6.5 |
| 20 | 12 | 14 | 26 | 40 | 8 | 9 | 19 | 13 | 19 | 16 | 30 | 6 | 16 | 9.3 depth 8 |
| 25 | 16 | 18 | 32 | 50 | 10 | 10 | 22 | 13 | 23 | 20 | 38 | 8 | 20 | 9.3 depth 9 |
| 32 | 20 | 22 | 40 | 62 | 12 | 11 | 23 | 13 | 27 | 24 | 48 | 10 | 24 | 11 depth 11.5 |
| Bore size (mm) | Without auto switch | With auto switch | MM | NN | P | Q | QA | ||
| S | Z | S | Z | ||||||
| 6 | 33 | 46 | 33 | 46 | M3 x 0.5 | M3 x 0.5 depth 5 | 3.2 | — | — |
| 10 | 36 | 52 | 36 | 52 | M4 x 0.7 | M3 x 0.5 depth 5 | 3.2 | — | — |
| 16 | 30 | 46 | 40 | 56 | M5 x 0.8 | M4 x 0.7 depth 6 | 4.5 | 4 | 2 |
| 20 | 36 | 55 | 46 | 65 | M6 x 1.0 | M5 x 0.8 depth 8 | 5.5 | 9 | 4.5 |
| 25 | 40 | 63 | 50 | 73 | M8 x 1.25 | M5 x 0.8 depth 8 | 5.5 | 9 | 4.5 |
| 32 | 42 | 69 | 52 | 79 | M10 x 1.25 | M6 x 1.0 depth 9 | 6.6 | 14 | 4.5 |